低压配电柜电路中经常会看到用阿拉伯数字和字母组合的电气原理图。越是复杂的电路图其数字字母组合符号越多。在实际电路设计和应用中有哪些规则呢,今天给大家来讲解。
一、阿拉伯数字与文字符号组合原则
阿拉伯数字可以放在电气设备、装置、元器件文字符号前面,或者放在电气设备、装置和元器件文字符号后面。阿拉伯数字放在电气设备文字符号前面时,数字应与文字符号字母大小相同;数字放在文字符号后面时,数字应比文字符号字母小一号字(作下标用)。如“1KM”或“KM1”所表示意义是一致的。阿拉伯数字与电气设备,装置和元器件文字符号组合的符号是用来区别同样名称电气设备、装置和元件,或者用来区别电路中接线的,可参见下图。

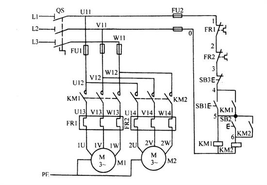
由上图可见,电路中有三极刀开关QK、熔断器1FU和2FU两组、按组开k关SB和SB两个,交流接触器KM、三相笼型异步电动机M一台。图中的1FU和2FU、SB和SB用来区别熔所器和按组开关。W、U1、V用来表示三相交流电的三根火线,W、U、V和W1、U、V与图14-1电路图中文字符号标明方法示意图之一W、U1、V三组符号表示主电路中的各条接线,图中的数字“1”和“3”表示辅助电路的接线线号
二、数字与文字符号组合成的符号使用说明
(1)电路图中的主电路应该用数字与文字符号组合成的符号作为接线的标志号(线号)铺助电路一般只用数字作为接线的标志号(线号)
(2)在主电路中,同一条走向的接线线号文字符号不变,数字要变化。如图中的W→W→W就是如此。组合符号中的数字变化有一定规律性,数字中的高位代表同一张电路图中的某一个主回路。如用W、U、V表示第一个主回路电源三根火线,用W、U、V表示第二个主回路的三根火线。第个主回路接线标号为W→Wx→W二个主回路接线标号为W→W→Wa“数字中的第二位第三位有变化,其变化规律是接线按越过个元器件或元图件的触点(继电器和接触的触点)逐次增加。

(3)在辅助电路中用数字表示接线标号时,也有一定规律性。轴助电路若有多个控制回路(控制一个用电器的电路称为一个控制国路),则每个控制国路的数字位数应有区别,在轴助电路的一个控制国路中,接线标志号的奇数和偶数应该以主要元器件为分界。主要元器件靠近电源的一侧用奇数,另一侧为偶数。
(4)、同一个电路中,接线线号相同的导线可以汇接在一起。
(5)、电路图中的同一根线两端标相同线号。
配电柜中的电气原理图通过数字和字母组合可以表示不同的电气回路的关系,便于区分各种复杂电气线路。方便施工接线和以后检修。因此数字和字母的合理搭配组合在电气图设计具有不可替代的作用

二维码1
13697432957