配电柜的虽然电气连接线多,但只要分清主电路和辅助电路的接线原理图,读懂电气原理图应该掌识图的基本方法和步骤,对配电柜接线安装和检修是很有帮助的。因此应该熟悉电路中常见的保护环节、自环节、联镜环节,应该熟悉并掌据常用的几种基本电路。电气原理图识图的基本方法和步骤然后介绍电路中常见的保护环节、自锁环节、联镜环节;再介绍常用的时序电路、以位置控制为原则的电路、以速度控倒为原则的电路、多地点控制的电路、以温度控制为原则的控制电路等。以上是几种常用控制电路。

1、电气原理图中的主电路和辅助电路
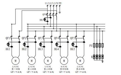
配电柜中电气原理图根据习惯画法可分为主电路和轴助电路(又称为二次控制电路)两种电路,主电路主要给常用电器(电动机、电弧炉等)供电的电路,一般功率较大,电缆线径较粗。是受轴助电路控制的电路。主电路又称为主回路。在实际配电柜中主电路常用功率从几百瓦到几百KW都有。主电路习惯用粗实线画在图纸的左边或上部。例如图中用粗实线表示的电路,就是主电路。
2、配电柜中辅助电路
辅助电路是指给主电路供电的电路,是控制主电路动作的电路,也可以说是给主电路发出指今信号的电路。轴助电路又称为控制电路、控制回路等。辅助电路习惯用细实线画在图纸的右边或下部。如下图中用细实线表示的电路,就是辅助电路。

在实际电气原理图中主电路一般比较简单,用电器数量较少而辅助电路比主电路复杂,控制元件也较多,有的辅助电路是很复杂的,例如用单片机或者plc控制器为控制核心的控制电路就是很复杂的。目前在配电柜强弱电一体电路中,已实现高度智能化和自动化。plc控制器在配电柜的应用大大提高了控制精度,节约了人工成本。
如采用plc控制器组成的控制电路是由输入信号电路、包括模拟量和数量量输入,信号处理中心(控制器)、输出信号电路(包括模拟量输出和数量量输出信号),信号放大电路、驱动电路等多个单元电路组成。在每个单元电路中又有若干小的回路,每个小的回路中有一个或几个控制元件,这样复杂的控制电路分析起来是比较困难的,要求有的理论基础和率富的实践经验,为此我们在实际电工操作中要注意学习和总结经验。对于大型自动化控制电路,需要对plc控制器进行逻辑运算编程。这样就可以通过控制器对各个用电器和执行机构发出控制指令。实现自动控制运行,节省人工成本提高生产效率。

二维码1
13697432957