配电柜内面对复杂和强弱电一体化线路,检修不知如何下手。因此要想看懂电气原理图,必熟记电气图形符号所代表的电气设备、装置和控制元件。在此基础上才能看懂电气原理图,看电气原理图的一般方法是先看主电路,后看辅助电路,井根辅助电路各小路中控制元件的动作情况,研究辅助电路对主电路的控制情况。
配电柜主电路的识别方法和步骤如下:
第一步:看配电柜内用电器
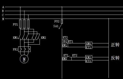
用电器所在的电路是主电路,用电器是指消耗电能或者将电能转变为其他能量的电气设备、装置等,如电动机、电护等,看图时要首先看清楚主电路中有几个用电器,它们的类别、用途、接线方式以及一些不同的要求等,图中的用电器是一台三相异步电动机启动和停止受接触器KM控制。

第二步:弄清楚主电路中的用电器控制方式
用电器是有什么样的控制元件控制,是用几个控制元件控制。如图中三相异步电动机启动与停止是受接触器KM控制实际电路中对用电器的控制方法有很多种,有的用电器只用开关控制,有的用电器用启动置,有的用电器用接器其他维电器控制,有的用电器是用程序控制器控制,面有的用电器直接用功率放大集成电路控制。正因为用电器种类多,所以对用电器的控制方法就有很多种,这就要求我们分析清主电路中的用电器与控制元件的对应关系。

第三步:弄清楚主电路除用电器以外其他元器件作用
主电路外的其它元器件以及这些元器件所起的作用,例如在下图中,主电路除用电器三相异步电动机外还有刀开关QK和熔断器FU两个元件,刀开关QK是总电源开关,也就是使电路与电源相接通或断开的开关FU熔断器起到对电路短路的保护作用,即电路发生短路时,熔断器的熔体立即熔断,使负载与电源断开主电路中各元器件和用电器一般情况下都比辅助电路中的控制元件要少,看主电路时,可以顺着电源引入端朝下逐次观察。

第四步,看配电电源等级
要了解电源的种类和电压等级,电源有直流电源和交流电源两种类型直流电有的是直流发电机供给,也有的是整流设备供给,直流电源常见的电压等级为660V、220v、110v、24V、12V等,交流电多数情下是由三相交流电网供电,有时也用交流发电机供电。交流电源低电压等级有380V、220V、110V、36V、24V等,频率多为50HZ(高频交流发电机发的交流电率不是50H)在图中电路电源来自小母线汇流排,电源为380V交流三相电,电压频率为50Hz。
以上就是识别配电柜内主电路原理图的方法和步骤,配电柜用途不同,不现场合,其负载和柜内配置也不相同。但总的来说,只有掌握了电路控制原理才能在以后的电工操作过程中不出差错。方便安装和检修。

二维码1
13697432957