地址:广州市番禺区大龙街信发路3号百翔科创园3栋
电话:13697432957
传真:020-39962272
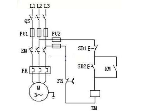
配电柜中按钮开关种类和作用[ 2020-09-14 ]
配电柜中按钮开关是使用较多的一种低压电气元件。其用途很广,被用作普通低压通断启停或自动化控制柜中的手动…
刀开关(刀闸开关) 在控制柜中的特点和作用[ 2020-09-03 ]
刀开关又叫刀闸开关,是以前应用较多的电源分断装置。主要用在负载功率不大的控制电路中。以前在工厂里面,大…
低压配电柜中数字和文字符号设计和使用说明[ 2020-09-02 ]
低压配电柜电路中经常会看到用阿拉伯数字和字母组合的电气原理图。越是复杂的电路图其数字字母组合符号越多。…
恒温恒湿控制柜常见故障分析和解决方法[ 2020-09-01 ]
恒温恒湿控制柜在中央空调中应用较多,由于中央空调通风区域较广,应用plc恒湿恒湿控制可以很好的实现全自动…
plc控制系统专业技术解决方案和设计[ 2020-08-31 ]
plc控制系统以“技术创新带动企业发展”为使命,广州市东弘电控以专业的技术方案和产品设计,不断实现系统应…
plc控制柜的组成和详细功能介绍[ 2020-08-05 ]
plc控制柜被广泛用在机械控制、水泵启停、恒温恒湿控制等领域。厂家可以根据用户需求量身设计PLC控制柜满足用…
配电柜型号GGD、GCS、GCK和MNS的区别和优势[ 2020-07-08 ]
低压配电柜在国内都有统一的标准,不同的安装方式和应用场合,其配电柜的选择型号也不一样。目前常用的低压配…
配电箱在机械控制中接线实战技巧[ 2020-07-07 ]
配电箱在机械设备中控制作用不可缺少。所有机械部分的传动都离不开电气控制。因此配电箱控制就好比给了一对飞…
CW6163B型车床电气线路的安装与检修[ 2020-07-06 ]
车床目前在我国工业生产中应用广泛,各种机械零配件的加工都与机床的功劳密不可分。在实际生产生活中掌握车床…
单片机在控制系统中的应用原理[ 2020-07-03 ]
1、单片机是什么?单片机原理及应用单片机是计算机的一种,是在一个芯片内部集成了计算机的全部硬件,如CPU、…
照明配电箱和移动装置应安装规范防止触电事故[ 2020-07-02 ]
照明配电箱在工地或日常生活中较为常见,家庭和工厂的灯具属移动电具因此接线应按照行业规范来做。配电箱的安…
配电柜多股铜芯导线连接方法大全[ 2020-07-01 ]
配电柜内分一次线路和二次线路,其中一次线路属强电部分,主要为大功率外围设备提高电源输出。二次线路属弱电…
碘钨灯照明线路原理及安装保养诀窍[ 2020-06-19 ]
碘钨灯是一种长寿命体积小,发光亮大的小型灯具。目前常用在舞台灯光效果、摄影棚、城市广场照明上。这些优点…
照明配电中荧光灯的故障全面解决方案[ 2020-06-18 ]
在照明配电线路中荧光灯无论是在家用还是工厂照明中都占有一席地位。随着国家提供环保节能改造,led灯逐渐受…
照明配电中荧光灯的工作原理和安装方法[ 2020-06-17 ]
荧光灯是继白炽灯之后的又一创新发明。解决了以前老式白炽灯的灯光暗淡和耗电问题。为我们的生活提供了更多使…
配电柜导线的连接及绝缘层的恢复技巧[ 2020-06-16 ]
配电柜内低压电器众多,都是由导线连接起来实现各种功能,因此配电柜导线连接方法非常重要,在实际接线过程上…
高压开关柜10千伏高压安全验电测试方法[ 2020-06-15 ]
在高压开关柜检修中需要对配电设备进行验电检测,高压电不同于普通市电,低压验电笔检测电压的范围为60~500…
配电箱电气元件修复为企业节省成本[ 2020-06-13 ]
配电箱在使用过程中时间长了,由于受到周围温度和湿度的影响,加上配电箱超负荷运行,都会对配电箱内部电气元…
配电设备保养技巧让用电设备安全运行[ 2020-06-12 ]
配电设备是什么包括哪些呢,配电设备是对整个输配电线路设备的总称,从发电站开始主要是一次设备,主要有升压…
机床配电箱线路检修和注意事项[ 2020-06-11 ]
机床配电箱线路不同于普通配电柜,机床加工时,金属屑和油污易进入电器、电机和线路中,造成电气绝缘下降、触…
配电柜生产厂家为您提供最新,最全,最权威的低压配电柜成套、配电箱、plc控制柜行业信息和恒温恒湿控制柜价格咨询服务,最专业的技术指导,做中国最有影响力的配电设备生产供应商
地址:广州市番禺区大龙街信发路3号百翔科创园3栋
24小时服务热线:13697432957 电子邮箱:253106211@qq.com
全国销售区域:广东深圳、东莞、佛山、惠州、中山、珠海,广西,安徽,福建,江西,河南,河北,湖北,湖南,海南,四川,贵州,云南,陕西,甘肃,山西,内蒙古,宁夏
Copyright 2001 - 2015 广州东弘电控设备有限公司
广州东弘自动化控制设备有限公司
友链:
吉彩网扫一扫,免费体验电控解决方案
二维码1
在线客服
13697432957